
На демо-модели они были:

Но судя по Видео Гордея, в результате отчаянной борьбы ДеА с нерадивыми китайцами, исчезли.
Будет кто заморачиваться?


Подскажи - из чего делал, чем крепил? Вот надо ведь нам!))
Это первые шаги - технология покрытия ковром ещё в процессе. Делают мне, а не я, так что на вопросы ответить не могу. Спрошу, когда удовлетворимся результатом и возможно будем принимать заказы. Вы я вижу из Мск. Рядом!Костя_Остенбакен писал(а): ↑31 янв 2019, 22:17Подскажи - из чего делал, чем крепил? Вот надо ведь нам!))
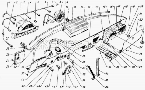
Alexander8305 писал(а): ↑04 фев 2019, 08:46 На днях разглядывал фотки панели приборов и заметил, что под прозрачной сферой основание, которое ложится на панель (там где одометр), черного цвета. Вопрос к знатокам и тем, кто владеет оригиналом, так ли это?



Так и должно быть! Это прокладка и если бы её не было,то через 200 км пути( желательно вне магистрали!) вы бы не увидели шкалы и не знали бы с какой скоростью передвигаетесь!?
Выходит есть смысл покрасить это место панели приборов в черный цвет
Повторю вопрос Арамиса... А в чём имеено заключается Ваша переделка? Лично я заметил доделку только у себя!
Эта та же корова, что идет на руле и шильдике. Что делать...
Присмотритесь внимательно! копыта все на месте!
Какие-то они сексуально озабоченныеКонстантин Феофанов писал(а): ↑11 фев 2019, 16:47Не знаю, как там в Финляндии, а в Швеции любят дарить таких оленей, даже детям:
Сорри за оффтоп![]()
![]()
![]()
Сейчас этот форум просматривают: нет зарегистрированных пользователей и 11 гостей