Так оно и есть ! У меня тоже самое.( по отзывам это уже не единичный случай ) .blablabla писал(а):И не спалил ли я благодаря его советам управляющий модуль.
Форум, посвящённый журнальным сериям, моделизму и коллекционированию
Пульт управления танком Т-72
-
luk19-61
- Сообщения: 43
- Зарегистрирован: 08 май 2015, 14:32
- Благодарил (а): 3 раза
- Поблагодарили: 15 раз
Re: Пульт управления танком Т-72
- Ruslan
- Сообщения: 572
- Зарегистрирован: 08 дек 2015, 19:32
- Благодарил (а): 124 раза
- Поблагодарили: 108 раз
Re: Пульт управления танком Т-72
blablabla писал(а):В общем простое соединение флайская вместо родной платы, как мне сказал специалист ДеА по горячей линии, привело к тому, что теперь при включении питания сразу начинает работать левый мотор. Даже при возвращении обратно родного приемника проблема остается. Буду разбираться со специалистом ДеА что же он такого мне насоветовал? И не спалил ли я благодаря его советам управляющий модуль.
А... у вас в блоке управления выгорел транзистор на гнезде "В"... Велком, как говорится, к нам, погорельцам. Хотя тут впору сочувствовать. Я могу даже сказать какой транзистор накрылся, но от этого легче не станет, ибо не ясна причина выхода из строя транзистора.
-
Vetalar
- Сообщения: 284
- Зарегистрирован: 08 дек 2015, 10:04
- Благодарил (а): 64 раза
- Поблагодарили: 49 раз
Re: Пульт управления танком Т-72
Ruslan писал(а):blablabla писал(а):В общем простое соединение флайская вместо родной платы, как мне сказал специалист ДеА по горячей линии, привело к тому, что теперь при включении питания сразу начинает работать левый мотор. Даже при возвращении обратно родного приемника проблема остается. Буду разбираться со специалистом ДеА что же он такого мне насоветовал? И не спалил ли я благодаря его советам управляющий модуль.
А... у вас в блоке управления выгорел транзистор на гнезде "В"... Велком, как говорится, к нам, погорельцам. Хотя тут впору сочувствовать. Я могу даже сказать какой транзистор накрылся, но от этого легче не станет, ибо не ясна причина выхода из строя транзистора.
если симптомы одинаковые то причина однозначно в кривой схемотехнике...
- Ruslan
- Сообщения: 572
- Зарегистрирован: 08 дек 2015, 19:32
- Благодарил (а): 124 раза
- Поблагодарили: 108 раз
Re: Пульт управления танком Т-72
Vetalar писал(а):если симптомы одинаковые то причина однозначно в кривой схемотехнике...
Однозначно. Ну не могут просто так гореть ключи на одном и том же разъёме в разных платах.
- Ruslan
- Сообщения: 572
- Зарегистрирован: 08 дек 2015, 19:32
- Благодарил (а): 124 раза
- Поблагодарили: 108 раз
Re: Пульт управления танком Т-72
ELC_AMX писал(а):" Што ж гэта робiцца ,людзi добрыя - транзiстары пагарэлi!"...
Я бы тебе жэстачайша ответил, но цензура не пропустит.
-
Дмитрий 10
- Сообщения: 64
- Зарегистрирован: 22 май 2016, 16:25
- Поблагодарили: 6 раз
Re: Пульт управления танком Т-72
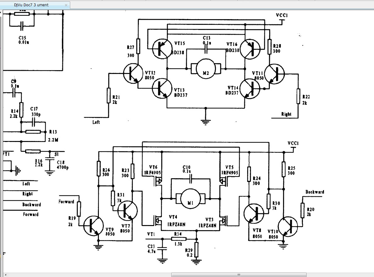
Меня долго не было на форме потому что также постигла учесть , и сел за изучение этой проблемы и выяснил что схема подключение полевых транзисторов не правильное и предназначенное для подключение шаговых и без-коллекторных моторов. На то кой схеме подключения с коллекторным мотором транзисторы выходят из строя из переходных токов которые в них образуятся . Вот эта схема от ДЕА с платы управления танка , а вот эта схема взята с технической документации к одной микросхеме предназначенная для радиоуправления . Вот теперь обратим внимание на полевые транзисторы от ДЕА они имеют одинаковую структуру а а на второй схеие полевые транзисторы разной структуры . А вот зачем ДЕА поставила микросхему стабилизатор напряжения постоянного тока .
- Вложения
-
- Дравера управления микродвигателями.jpg (160.1 КБ) 17817 просмотров
- ELC_AMX
- Сообщения: 458
- Зарегистрирован: 19 окт 2015, 23:04
- Благодарил (а): 23 раза
- Поблагодарили: 33 раза
Re: Пульт управления танком Т-72
Эта микросхема - DC-DC преобразователь.Хотелось бы знать,сколько вольт выходит с неё.Что то мне не нравится один момент на схеме,а именно - не большое ли напряжение подается на затворы выходных полевиков?Хотя, судя по мануалу на транзистор 2N6796,напряжение затвор - исток для него равно 20 вольт:http://alltransistors.com/mosfet/transistor.php?transistor=138
А вот максимальный ток всего 8 Ампер - слабовато.
Только вот разве такого типа транзисторы там стоят?Кто то выкладывал здесь фото платы управления от ДеА,там другие транзисторы были,те выдерживали по мануалу аж 70 ампер! - и всё равно горели.А гореть они будут предположительно из-за того,что одновременно подаются два управляющие сигнала,а должны подаваться или на один вход,или на другой.Транзисторы двигателя включены по схеме Н-моста.Если одновременно на оба входа управления дать сигнал,то пары силовых транзисторов слева и справа от двигателя (смотрим схему) будут образовывать две короткозамкнутых цепи без нагрузки,вот поэтому и вылетает сразу 4 транзистора.Транзисторы должны включаться диагонально:верхний левый-правый нижний,верхний правый-левый нижний.
По поводу важности типа проводимости выходных полевиков сказать ничего не могу,так как не силён в таких тонкостях.
А вот максимальный ток всего 8 Ампер - слабовато.
Только вот разве такого типа транзисторы там стоят?Кто то выкладывал здесь фото платы управления от ДеА,там другие транзисторы были,те выдерживали по мануалу аж 70 ампер! - и всё равно горели.А гореть они будут предположительно из-за того,что одновременно подаются два управляющие сигнала,а должны подаваться или на один вход,или на другой.Транзисторы двигателя включены по схеме Н-моста.Если одновременно на оба входа управления дать сигнал,то пары силовых транзисторов слева и справа от двигателя (смотрим схему) будут образовывать две короткозамкнутых цепи без нагрузки,вот поэтому и вылетает сразу 4 транзистора.Транзисторы должны включаться диагонально:верхний левый-правый нижний,верхний правый-левый нижний.
По поводу важности типа проводимости выходных полевиков сказать ничего не могу,так как не силён в таких тонкостях.
- jarakaka
- Сообщения: 137
- Зарегистрирован: 02 июн 2016, 10:20
- Благодарил (а): 43 раза
- Поблагодарили: 6 раз
Re: Пульт управления танком Т-72
Ruslan писал(а):blablabla писал(а):В общем простое соединение флайская вместо родной платы, как мне сказал специалист ДеА по горячей линии, привело к тому, что теперь при включении питания сразу начинает работать левый мотор. Даже при возвращении обратно родного приемника проблема остается. Буду разбираться со специалистом ДеА что же он такого мне насоветовал? И не спалил ли я благодаря его советам управляющий модуль.
А... у вас в блоке управления выгорел транзистор на гнезде "В"... Велком, как говорится, к нам, погорельцам. Хотя тут впору сочувствовать. Я могу даже сказать какой транзистор накрылся, но от этого легче не станет, ибо не ясна причина выхода из строя транзистора.
Сочувствую!
Если судьба повернулась к тебе задом - пни ее из всех сил. Она повернется, чтобы увидеть, кто ее так двинул.
-
Дмитрий 10
- Сообщения: 64
- Зарегистрирован: 22 май 2016, 16:25
- Поблагодарили: 6 раз
Re: Пульт управления танком Т-72
Вы на транзисторы которые указаны на схеме не обращайте внимание я собирал схему на тех транзисторах которые есть в программе в наличие и поним строил схему . Вот техническая документация на транзистор CMU70N03 http://mospdf.com/upfile/files/CMD70N03-CMU70N03.pdf а остальные транзисторы печатного монтажа кодированы и на одном коде что то до пяти маркировка транзисторов . Так вот напряжение которое приходит на транзистор равно напряжению аккумулятора и вот тогда зачем микросхема в данной схеме .
-
blablabla
- Сообщения: 61
- Зарегистрирован: 07 май 2015, 15:15
- Благодарил (а): 8 раз
- Поблагодарили: 9 раз
Re: Пульт управления танком Т-72
А... у вас в блоке управления выгорел транзистор на гнезде "В"... Велком, как говорится, к нам, погорельцам. Хотя тут впору сочувствовать. Я могу даже сказать какой транзистор накрылся, но от этого легче не станет, ибо не ясна причина выхода из строя транзистора.
Ага. Именно так. Специалист ДеА это уже подтвердил. Сказал, что проблема широко распространена. Сказал писать в ДеА на предмет замены брака. Вопрос в другом- почему так случилось всего лишь при подключеении другого приемника? До этого все работало без проблем.
- booch59
- Сообщения: 709
- Зарегистрирован: 16 дек 2015, 22:48
- Благодарил (а): 52 раза
- Поблагодарили: 77 раз
Re: Пульт управления танком Т-72
МС34063 вырабатывает повышенное напряжение для надёжного открывания полевиков. Два верхних полевика должны быть с Р-каналом , с N-каналом полевик в верхнй части схемы не надёжны, управляются хуже и, скорее всего, они слабы по току или же недооткрытый транзистор получает тепловой пробой.Чоб исправить дело, надо узнать данные полевиков . Я изучал схемы регуляторов хода, в них такие рекомендации. Два полевика в Dpak корпусе впараллель качают Ампер 7-8 спокойно.
Можешь выложить полную схему блока?
Дмитрий 10 писал(а): Вот эта схема от ДЕА с платы управления танка
Можешь выложить полную схему блока?
Плыли,плыли и у....лись!
- ELC_AMX
- Сообщения: 458
- Зарегистрирован: 19 окт 2015, 23:04
- Благодарил (а): 23 раза
- Поблагодарили: 33 раза
Re: Пульт управления танком Т-72
ИМХО,если даже верхние полевики будут с P-каналом,а нижние с N-каналом,то единственный способ спалить все четыре ключевых транзистора,это подать одновременно две команды.Тут ,возможно, сам контроллер такую подлянку делает.Ну или биполярные транзисторы между микросхемой контроллера и полевиками.
- booch59
- Сообщения: 709
- Зарегистрирован: 16 дек 2015, 22:48
- Благодарил (а): 52 раза
- Поблагодарили: 77 раз
Re: Пульт управления танком Т-72
Так вроде , один и тот же выгорает. Или я что-то пропустил?
Кстати, можно переделать как по нижней схеме.
Кстати, можно переделать как по нижней схеме.
Плыли,плыли и у....лись!
- Ruslan
- Сообщения: 572
- Зарегистрирован: 08 дек 2015, 19:32
- Благодарил (а): 124 раза
- Поблагодарили: 108 раз
Re: Пульт управления танком Т-72
ELC_AMX писал(а):ИМХО,если даже верхние полевики будут с P-каналом,а нижние с N-каналом,то единственный способ спалить все четыре ключевых транзистора,это подать одновременно две команды.Тут ,возможно, сам контроллер такую подлянку делает.Ну или биполярные транзисторы между микросхемой контроллера и полевиками.
Горят не 4 транзистора, а 1 (реже два, находящиеся в параллели). И сдыхают транзисторы, отвечающие именно за гнездо "В". Про смерть транзисторов, отвечающих за гнездо "С", лично я пока не слышал.
- ELC_AMX
- Сообщения: 458
- Зарегистрирован: 19 окт 2015, 23:04
- Благодарил (а): 23 раза
- Поблагодарили: 33 раза
Re: Пульт управления танком Т-72
А,тогда пардон,признаю свою ошибку,мне чего то показалось,что кто то писал про 4 палёных транзистора. 
Re: Пульт управления танком Т-72
А почему у меня транзисторы на двигатели не горят? Я с конца августа эксплуатирую его, в т.ч. неск. раз на улице. Ходовая часть работает даже слишком резво. А вот с цепями произведения выстрела - проблема: сначала все работало, а потом перестали работать светодиоды выстрела (ИК и на конце пушки), и пушка перестала подниматься (при этом звук выстрела раздается, и проходит откат). Как я уже писал ранее, все провода прозваниваются, и светодиоды исправные. Т.е. проблему с наскока не решил. Но будет побольше свободного времени - попробую исправить (если не будет лень).
Управление по Ви-Фи тоже работает (хотя, бывает, и не с первого раза: приходится иногда перезагружать программу на смартфоне и переподключаться).
Управление по Ви-Фи тоже работает (хотя, бывает, и не с первого раза: приходится иногда перезагружать программу на смартфоне и переподключаться).
Дареному танку в дуло не смотрят!
- ELC_AMX
- Сообщения: 458
- Зарегистрирован: 19 окт 2015, 23:04
- Благодарил (а): 23 раза
- Поблагодарили: 33 раза
Re: Пульт управления танком Т-72
Пайку проверяй.А лучше возьми и пропаяй всю плату,только соплей не наделай! 
Re: Пульт управления танком Т-72
ELC_AMX писал(а):Пайку проверяй.А лучше возьми и пропаяй всю плату,только соплей не наделай!
Пайку и сопли на платах проверял в первую очередь. Пропаивал. В т.ч. в пульте вертикальный переменник левого джойстика вообще не был припаян, и на плате управления контакт в одном разъеме припаял, и еще по мелочам. Зря я не сфотографировал сразу. Качество электроники - очень низкое; вероятно, китаезы собирали на коленке в подвале.
Дареному танку в дуло не смотрят!
-
Санёк
- Сообщения: 269
- Зарегистрирован: 25 янв 2016, 10:22
- Благодарил (а): 120 раз
- Поблагодарили: 72 раза
Re: Пульт управления танком Т-72
Привет всем! Смотрю скучно тут у вас
. Про выгорание транзисторов могу сказать следующее. Как было сказано открываются два плеча и бац!!! Причина судя в контроллере который либо прошит коряво либо брак контроллера и ОТК плохо проверяют, а может и вообще не проверяют. Еще вариант плохая пайка и вывода весят в воздухе что и вызывает самопроизвольное открытие с соответствующим исходом. Нужно глянуть осциллографом идущий сигнал от контроллера при отключенных движках даже если транзюки сгорели. Моя плата пока еще жива но поковырять пока не могу нет свободного времени. По возможности накидаю схемку для дальнейшего ремонта. Если сигнал идет на обоих каналах одинаковый то ковырять нужно всю цепь от контроллера до контакта на моторе.
- Ruslan
- Сообщения: 572
- Зарегистрирован: 08 дек 2015, 19:32
- Благодарил (а): 124 раза
- Поблагодарили: 108 раз
Re: Пульт управления танком Т-72
Санёк писал(а):Привет всем! Смотрю скучно тут у вас. Про выгорание транзисторов могу сказать следующее. Как было сказано открываются два плеча и бац!!!
...
Нужно глянуть осциллографом идущий сигнал от контроллера при отключенных движках даже если транзюки сгорели. Моя плата пока еще жива но поковырять пока не могу нет свободного времени. По возможности накидаю схемку для дальнейшего ремонта. Если сигнал идет на обоих каналах одинаковый то ковырять нужно всю цепь от контроллера до контакта на моторе.
И тебе привет, мил-человек. Рад тебя снова видеть, т.е. читать. Если найдёшь причину выгорания транзисторов, то думаю, что многие будут тебе благодарны.
-
alexko
- Сообщения: 49
- Зарегистрирован: 30 апр 2015, 19:26
- Благодарил (а): 10 раз
- Поблагодарили: 5 раз
Re: Пульт управления танком Т-72
blablabla писал(а):... но можно приобрести аппаратуру Flysky любой модели (главное, чтобы 6 каналов поддерживала) и сконектить его с этим танком. Типа у него FLYSKY i-10 и все отлично коннектиться. Но деталей не объяснил. ...?
Попытался FLYSKY i-6 подключить, неполучилось, что и где замкнуть надо чтоб приемник воспринял передатчик неизвестно
т.е. ничего не заработало
- booch59
- Сообщения: 709
- Зарегистрирован: 16 дек 2015, 22:48
- Благодарил (а): 52 раза
- Поблагодарили: 77 раз
Re: Пульт управления танком Т-72
Санёк писал(а):Привет всем! Смотрю скучно тут у вас![]()
Есть вариант повеселее?
Плыли,плыли и у....лись!
- Ruslan
- Сообщения: 572
- Зарегистрирован: 08 дек 2015, 19:32
- Благодарил (а): 124 раза
- Поблагодарили: 108 раз
Re: Пульт управления танком Т-72
alexko писал(а):blablabla писал(а):... но можно приобрести аппаратуру Flysky любой модели (главное, чтобы 6 каналов поддерживала) и сконектить его с этим танком. Типа у него FLYSKY i-10 и все отлично коннектиться. Но деталей не объяснил. ...?
Попытался FLYSKY i-6 подключить, неполучилось, что и где замкнуть надо чтоб приемник воспринял передатчик неизвестно
т.е. ничего не заработало
Может надо было использовать разъём S-bus (AS-bus) в приёмнике (он 3-х пиновый)?
Кто сейчас на конференции
Сейчас этот форум просматривают: нет зарегистрированных пользователей и 2 гостя