Форум, посвящённый журнальным сериям, моделизму и коллекционированию
УАЗ-469 - Вопросы по модели
-
Денис Сергеевич Козлов
- Сообщения: 6
- Зарегистрирован: 04 июл 2020, 21:54
- Откуда: Калуга
- Благодарил (а): 4 раза
- Поблагодарили: 1 раз
Re: УАЗ-469 - Вопросы моделисту ДеАгостини
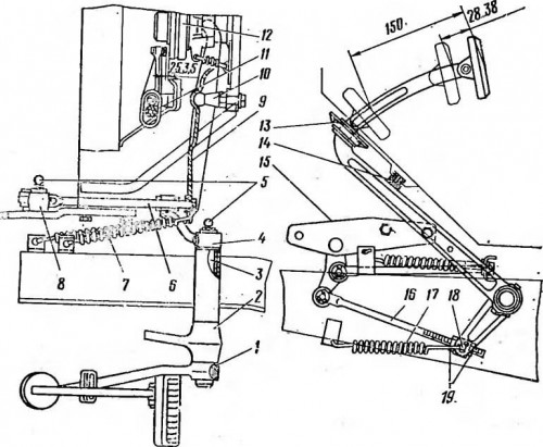
Здравствуйте, может разъясните каким образом на модели будут крепиться педали тормоза и сцепления? Как должно быть, прикрепляю картинку ниже, но как это будет воспроизводиться на модели, ума не приложу....
SkyLine_65rus
-
Денис Сергеевич Козлов
- Сообщения: 6
- Зарегистрирован: 04 июл 2020, 21:54
- Откуда: Калуга
- Благодарил (а): 4 раза
- Поблагодарили: 1 раз
Re: УАЗ-469 - Вопросы моделисту ДеАгостини
Здравствуйте, ума не могу приложить, как будут крепиться педали на модели, может приоткроете завесу тайны? Как должно быть уже нашли (см.картинки ниже.)
Последний раз редактировалось Денис Сергеевич Козлов 10 мар 2021, 19:18, всего редактировалось 1 раз.
SkyLine_65rus
- Forum Admin
- Site Admin
- Сообщения: 2959
- Зарегистрирован: 18 май 2017, 13:36
- Благодарил (а): 319 раз
- Поблагодарили: 2229 раз
- Контактная информация:
Re: УАЗ-469 - Вопросы моделисту ДеАгостини
Вам нужно обратиться в поддержку по телефону горячей линии 8-800-200-02-01, назвать номер вашей подписки и вам придёт ссылка, по которой вы сможете обновить данные карты.Валерий Юрьевич Егоров писал(а): ↑04 мар 2021, 21:04 Коллеги! Кто из тех, что оформляли подписку и оформляли оплату по карте сталкивались с таким: у карты закончился срок и я заменил на новую. Пришел отказ в списании денег с нее за следующую посылку. Как изменить данные карты и где, чтобы списание прошло? Спасибо!
Re: УАЗ-469 - Вопросы моделисту ДеАгостини
Какие уж тут тайны...Денис Сергеевич Козлов писал(а): ↑08 мар 2021, 20:44 Здравствуйте, ума не могу приложить, как будут крепиться педали на модели, может приоткроете завесу тайны?
Смотрим выпуск номер 13, инструкция по сборке: https://uaz469.deagostini.ru/publicatio ... 000013.pdf
-
Денис Сергеевич Козлов
- Сообщения: 6
- Зарегистрирован: 04 июл 2020, 21:54
- Откуда: Калуга
- Благодарил (а): 4 раза
- Поблагодарили: 1 раз
Re: УАЗ-469 - Вопросы моделисту ДеАгостини
Я, наверное, не корректно задал вопрос, или вы не внимательно посмотрели чертежи, которые я приложил... Тогда прикладываю фото с уже присоединенным полом модели, и снова задам вопрос... Как будут крепиться педали сцепления и тормоза на нашей модели УаЗа?Bugs писал(а): ↑10 мар 2021, 00:56Какие уж тут тайны...Денис Сергеевич Козлов писал(а): ↑08 мар 2021, 20:44 Здравствуйте, ума не могу приложить, как будут крепиться педали на модели, может приоткроете завесу тайны?
Смотрим выпуск номер 13, инструкция по сборке: https://uaz469.deagostini.ru/publicatio ... 000013.pdf
SkyLine_65rus
-
KBig
- Сообщения: 40
- Зарегистрирован: 03 май 2020, 18:55
- Откуда: Санкт-Петербург
- Благодарил (а): 19 раз
- Поблагодарили: 39 раз
Re: УАЗ-469 - Вопросы моделисту ДеАгостини
Денис Сергеевич Козлов писал(а): ↑11 мар 2021, 08:06Я, наверное, не корректно задал вопрос, или вы не внимательно посмотрели чертежи, которые я приложил... Тогда прикладываю фото с уже присоединенным полом модели, и снова задам вопрос... Как будут крепиться педали сцепления и тормоза на нашей модели УаЗа?Bugs писал(а): ↑10 мар 2021, 00:56Какие уж тут тайны...Денис Сергеевич Козлов писал(а): ↑08 мар 2021, 20:44 Здравствуйте, ума не могу приложить, как будут крепиться педали на модели, может приоткроете завесу тайны?
Смотрим выпуск номер 13, инструкция по сборке: https://uaz469.deagostini.ru/publicatio ... 000013.pdf
Вы не забудьте, что педаль тормоза должна давить на микровыключатель еще.
И та деталь которую мы получили - это днище кузова, а пол будет сверху еще одной деталью. Педали думаю будут крепиться к полу, а это отверстие в днище под размещение микровыключателя как раз и задумано, а вовсе не для того чтобы связать педали с бутафорскими штоками.
На фото видно, как у реального УАЗа педали уходят в пол - не вижу проблем так и сделать.
-
Денис Сергеевич Козлов
- Сообщения: 6
- Зарегистрирован: 04 июл 2020, 21:54
- Откуда: Калуга
- Благодарил (а): 4 раза
- Поблагодарили: 1 раз
Re: УАЗ-469 - Вопросы моделисту ДеАгостини
Вот!!! Это уже более интересный ответ!!! Благодарю за разъяснение!!!KBig писал(а): ↑11 мар 2021, 10:47Денис Сергеевич Козлов писал(а): ↑11 мар 2021, 08:06Я, наверное, не корректно задал вопрос, или вы не внимательно посмотрели чертежи, которые я приложил... Тогда прикладываю фото с уже присоединенным полом модели, и снова задам вопрос... Как будут крепиться педали сцепления и тормоза на нашей модели УаЗа?Bugs писал(а): ↑10 мар 2021, 00:56
Какие уж тут тайны...
Смотрим выпуск номер 13, инструкция по сборке: https://uaz469.deagostini.ru/publicatio ... 000013.pdf
Вы не забудьте, что педаль тормоза должна давить на микровыключатель еще.
И та деталь которую мы получили - это днище кузова, а пол будет сверху еще одной деталью. Педали думаю будут крепиться к полу, а это отверстие в днище под размещение микровыключателя как раз и задумано, а вовсе не для того чтобы связать педали с бутафорскими штоками.
На фото видно, как у реального УАЗа педали уходят в пол - не вижу проблем так и сделать.
SkyLine_65rus
- UncleSasha
- Сообщения: 129
- Зарегистрирован: 02 фев 2018, 13:11
- Откуда: СССР, Владивосток
- Благодарил (а): 62 раза
- Поблагодарили: 98 раз
Re: УАЗ-469 - Вопросы моделисту ДеАгостини
Вынужден Вас разочаровать, но никаких микровыключателей на педали тормоза не будет.
Поэтому вопрос о креплении педалей остается открытым. ИМХО.
Единственно, что понятно, это то, что квадратное отверстие в полу над уже установленными педалями, сделано не случайно.
-
KBig
- Сообщения: 40
- Зарегистрирован: 03 май 2020, 18:55
- Откуда: Санкт-Петербург
- Благодарил (а): 19 раз
- Поблагодарили: 39 раз
Re: УАЗ-469 - Вопросы моделисту ДеАгостини
Оно не над педалями (и оно не там где должны быть педали в салоне) - оно сильно левее педалей - именно это и вызывает вопросы у людей.UncleSasha писал(а): ↑11 мар 2021, 15:30Вынужден Вас разочаровать, но никаких микровыключателей на педали тормоза не будет.
Поэтому вопрос о креплении педалей остается открытым. ИМХО.
Единственно, что понятно, это то, что квадратное отверстие в полу над уже установленными педалями, сделано не случайно.
А к месту расположения педалей на уже выпущенной детали ведет паз под проводку - вот это явно не случайно.
-
Владислав Михайлович Руденко
- Сообщения: 4
- Зарегистрирован: 12 апр 2021, 13:17
- Откуда: Тверь
-
Serg198259
- Сообщения: 103
- Зарегистрирован: 02 окт 2017, 16:01
- Откуда: Березники
- Благодарил (а): 21 раз
- Поблагодарили: 28 раз
-
Михаил Васильевич Харченко
- Сообщения: 126
- Зарегистрирован: 18 мар 2018, 10:24
- Откуда: Грязи
- Благодарил (а): 75 раз
- Поблагодарили: 44 раза
Re: УАЗ-469 - Вопросы моделисту ДеАгостини
скорее всего, там должна быть ещё одна часть нижняя передней панели.
Re: УАЗ-469 - Вопросы моделисту ДеАгостини
Уважаемый моделист ДеАгостини, пожалуйста ответьте, очень надо!
-
Иван Юрьевич Подколзин
- Сообщения: 1
- Зарегистрирован: 19 апр 2021, 22:37
- Откуда: Москва
Re: УАЗ-469 - Вопросы моделисту ДеАгостини
Столкнулся с такой же проблемой как и у многих, разные крышки заднего бортового редуктора . Написал в поддержку, ответила некая «Мария Калугина» что якобы проводятся какие то обновления сайта . И на этом мой вопрос приостановился. Проблема не решена . И при дальнейшей сборке задние колёса имеют разную высоту
-
Владимир Сергеевич Руденко
- Сообщения: 1
- Зарегистрирован: 22 апр 2021, 09:47
- Откуда: Ростов-на-Дону
-
Сергей Викторович Низяев
- Сообщения: 1
- Зарегистрирован: 26 апр 2021, 07:19
- Откуда: Оха
Re: УАЗ-469 - Вопросы моделисту ДеАгостини
Такая же фигня, одна половина моста простая, а другая военная с редуктором.Serg198259 писал(а): ↑28 фев 2021, 18:53 А почему у Вас мост не симметричен? У меня обе стороны одинаковые за исключением штуцера. А у данной сборки видно, что даже рёбра жёсткости разные. Откуда такие детали? Из забракованной партии?
-
Андрей Аркадьевич Смирнов
- Сообщения: 2
- Зарегистрирован: 29 май 2020, 14:29
- Откуда: Ярославль
Re: УАЗ-469 - Вопросы моделисту ДеАгостини
Коллеги, добрый день!
Так как всё-таки решился половой вопрос? Я бы посмотрел на оригинале, но у меня машина более поздняя и уже с подвесными педалями... А у нашей модели явная ошибка либо с отверстием пола (сильно смещено влево), либо с педалями - прижаты к раме...
Так как всё-таки решился половой вопрос? Я бы посмотрел на оригинале, но у меня машина более поздняя и уже с подвесными педалями... А у нашей модели явная ошибка либо с отверстием пола (сильно смещено влево), либо с педалями - прижаты к раме...
-
Дахусим
- Сообщения: 52
- Зарегистрирован: 10 апр 2019, 13:47
- Откуда: Смоленск
- Благодарил (а): 5 раз
- Поблагодарили: 22 раза
Re: УАЗ-469 - Вопросы моделисту ДеАгостини
-
KBig
- Сообщения: 40
- Зарегистрирован: 03 май 2020, 18:55
- Откуда: Санкт-Петербург
- Благодарил (а): 19 раз
- Поблагодарили: 39 раз
-
KBig
- Сообщения: 40
- Зарегистрирован: 03 май 2020, 18:55
- Откуда: Санкт-Петербург
- Благодарил (а): 19 раз
- Поблагодарили: 39 раз
Re: УАЗ-469 - Вопросы моделисту ДеАгостини
Спасибо, это я видел в рекламном ролике, но где отверстия, этого куска нет 
-
Денис Сергеевич Козлов
- Сообщения: 6
- Зарегистрирован: 04 июл 2020, 21:54
- Откуда: Калуга
- Благодарил (а): 4 раза
- Поблагодарили: 1 раз
Re: УАЗ-469 - Вопросы моделисту ДеАгостини
Ничего не решилось... Все так и осталось на уровне предположений и догадок... По всей видимости, придеться ждать сборку педального узла, чтобы понять что не так...(((Юрий Владимирович Хлевной писал(а): ↑27 апр 2021, 08:40Персонально для Владимира)
viewtopic.php?f=235&t=1236&start=50#p68849
SkyLine_65rus
-
Леонид Анатольевич Смочелюк
- Сообщения: 1
- Зарегистрирован: 11 май 2021, 17:02
- Откуда: Санкт-Петербург
Re: УАЗ-469 - Вопросы моделисту ДеАгостини
Здравствуйте, столкнулся с проблемой заднего моста № 23 кожух полуоси заднего моста левый , отличается по посадке от правого. идет перекос конструкции.
Кто сейчас на конференции
Сейчас этот форум просматривают: нет зарегистрированных пользователей и 0 гостей