Форум, посвящённый журнальным сериям, моделизму и коллекционированию

Изменения, доработки, улучшения... Одним словом ТЮНИНГ

Аватара пользователя
Константин Феофанов
Сообщения: 837
Зарегистрирован: 31 мар 2018, 14:55
Откуда: Москва
Благодарил (а): 602 раза
Поблагодарили: 427 раз

Re: Изменения, доработки, улучшения... Одним словом ТЮНИНГ

Сообщение Константин Феофанов » 15 янв 2019, 10:05

Коллеги, я тут заметил, что переключатели на панели приборов у оригинала имели никелированные окантовки в месте сопряжения с панелью:

Изображение

На демо-модели они были:

Изображение

Но судя по Видео Гордея, в результате отчаянной борьбы ДеА с нерадивыми китайцами, исчезли.

Будет кто заморачиваться?
Пошли дурака за скотчем, он липкую ленту и принесет.

Аватара пользователя
Bunker
Сообщения: 107
Зарегистрирован: 11 май 2018, 09:57
Откуда: Владивосток
Благодарил (а): 70 раз
Поблагодарили: 80 раз

Re: Изменения, доработки, улучшения... Одним словом ТЮНИНГ

Сообщение Bunker » 15 янв 2019, 14:54

Для этого надоть методику химического хромирования осваивать :D , а лень. К тому-же будет косяк пограндиозней -
нагло торчащие черные кнопки (типа сигнал и фары) смотрим: https://volga.deagostini.ru/publication ... 000050.pdf.
Мыслю, что так как они на месте контрольных ламп (слева красная справа зеленая, за что отвечают не знаю) то нужно их укоротить и окрасить соответственно.
Стоит ли повторять чужие ошибки, если есть возможность совершить свои?

Аватара пользователя
Olenevod
Сообщения: 411
Зарегистрирован: 19 мар 2018, 13:13
Откуда: Подольск (Климовск)
Благодарил (а): 152 раза
Поблагодарили: 211 раз

Re: Изменения, доработки, улучшения... Одним словом ТЮНИНГ

Сообщение Olenevod » 27 янв 2019, 12:11

.
Последний раз редактировалось Olenevod 27 янв 2019, 23:41, всего редактировалось 1 раз.
Дальнобойщик... на ГАЗ-21 И, 1960 г.выпуска. Приобрел для себя в 2000 году.

Аватара пользователя
Olenevod
Сообщения: 411
Зарегистрирован: 19 мар 2018, 13:13
Откуда: Подольск (Климовск)
Благодарил (а): 152 раза
Поблагодарили: 211 раз

Re: Изменения, доработки, улучшения... Одним словом ТЮНИНГ

Сообщение Olenevod » 27 янв 2019, 12:13

Я переделал переднюю подвеску... выкинул винты СМ из шкворней и поставил отрезок от того же сверла, правда диаметром 2.6 мм - люфт может в будущем, но сейчас ваще не ощущается! ))) И шаёбочки поставил на рулевые тяги трапеции.. Вариант отличный! И вам советую... иначе колёса где-нибудь отвалятся! (((
IMG_2063.JPG
Дальнобойщик... на ГАЗ-21 И, 1960 г.выпуска. Приобрел для себя в 2000 году.

Аватара пользователя
Olenevod
Сообщения: 411
Зарегистрирован: 19 мар 2018, 13:13
Откуда: Подольск (Климовск)
Благодарил (а): 152 раза
Поблагодарили: 211 раз

Re: Изменения, доработки, улучшения... Одним словом ТЮНИНГ

Сообщение Olenevod » 31 янв 2019, 18:54

не могу удержаться от начала модернизации с ковровым покрытием! Вот вам всем! 8-) 8-) 8-)
WhatsApp Image 2019-01-31 at 11.07.21.jpeg
Дальнобойщик... на ГАЗ-21 И, 1960 г.выпуска. Приобрел для себя в 2000 году.

Аватара пользователя
Костя_Остенбакен
Сообщения: 57
Зарегистрирован: 27 фев 2018, 09:09
Откуда: Москва
Благодарил (а): 85 раз
Поблагодарили: 40 раз

Re: Изменения, доработки, улучшения... Одним словом ТЮНИНГ

Сообщение Костя_Остенбакен » 31 янв 2019, 22:17

Olenevod писал(а): 31 янв 2019, 18:54 не могу удержаться от начала модернизации с ковровым покрытием!
Подскажи - из чего делал, чем крепил? Вот надо ведь нам!))
"Бывают минуты, когда невозможно удержаться и не начать делать глупости. Это называется энтузиазмом".

Аватара пользователя
Olenevod
Сообщения: 411
Зарегистрирован: 19 мар 2018, 13:13
Откуда: Подольск (Климовск)
Благодарил (а): 152 раза
Поблагодарили: 211 раз

Re: Изменения, доработки, улучшения... Одним словом ТЮНИНГ

Сообщение Olenevod » 01 фев 2019, 07:08

Костя_Остенбакен писал(а): 31 янв 2019, 22:17
Olenevod писал(а): 31 янв 2019, 18:54 не могу удержаться от начала модернизации с ковровым покрытием!
Подскажи - из чего делал, чем крепил? Вот надо ведь нам!))
Это первые шаги - технология покрытия ковром ещё в процессе. Делают мне, а не я, так что на вопросы ответить не могу. Спрошу, когда удовлетворимся результатом и возможно будем принимать заказы. Вы я вижу из Мск. Рядом!
Дальнобойщик... на ГАЗ-21 И, 1960 г.выпуска. Приобрел для себя в 2000 году.

Alexander8305
Сообщения: 43
Зарегистрирован: 18 фев 2018, 23:38
Откуда: Калуга
Благодарил (а): 17 раз
Поблагодарили: 12 раз

Re: Изменения, доработки, улучшения... Одним словом ТЮНИНГ

Сообщение Alexander8305 » 04 фев 2019, 08:46

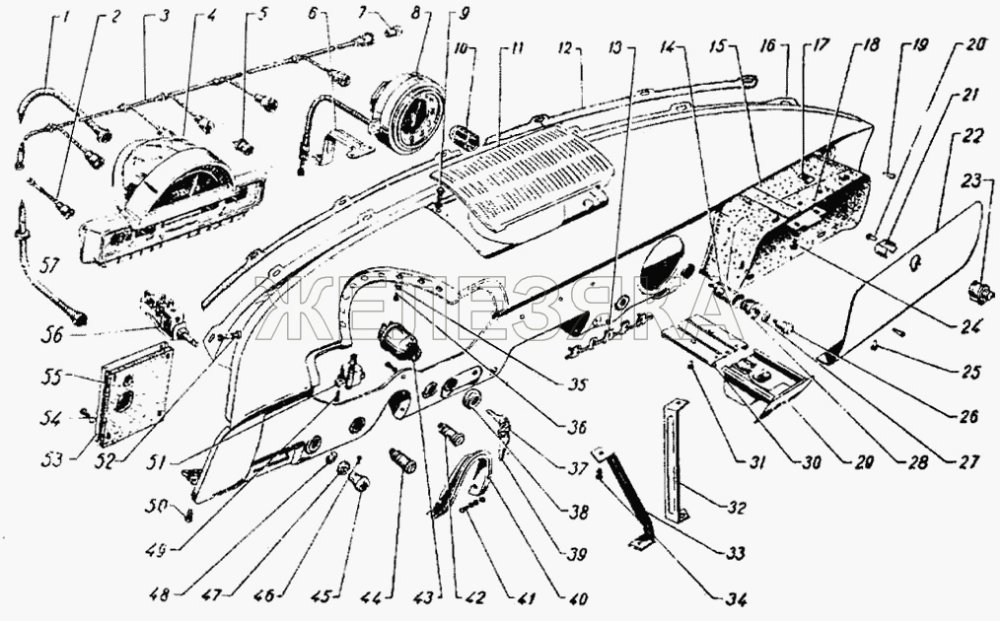
На днях разглядывал фотки панели приборов и заметил, что под прозрачной сферой основание, которое ложится на панель (там где одометр), черного цвета. Вопрос к знатокам и тем, кто владеет оригиналом, так ли это?

Аватара пользователя
Константин Феофанов
Сообщения: 837
Зарегистрирован: 31 мар 2018, 14:55
Откуда: Москва
Благодарил (а): 602 раза
Поблагодарили: 427 раз

Re: Изменения, доработки, улучшения... Одним словом ТЮНИНГ

Сообщение Константин Феофанов » 04 фев 2019, 11:47

Alexander8305 писал(а): 04 фев 2019, 08:46 На днях разглядывал фотки панели приборов и заметил, что под прозрачной сферой основание, которое ложится на панель (там где одометр), черного цвета. Вопрос к знатокам и тем, кто владеет оригиналом, так ли это?
Изображение

Изображение

А вот фото панели Виталия Оленевода, надеюсь, копирайты не будет применять :mrgreen:

Изображение
Пошли дурака за скотчем, он липкую ленту и принесет.

Евгений В
Сообщения: 84
Зарегистрирован: 05 янв 2018, 15:16
Откуда: Москва
Благодарил (а): 30 раз
Поблагодарили: 49 раз

Re: Изменения, доработки, улучшения... Одним словом ТЮНИНГ

Сообщение Евгений В » 04 фев 2019, 12:08

Ну как минимум, это место не в цвет кузова.
Вложения
55.jpg

Аватара пользователя
Olenevod
Сообщения: 411
Зарегистрирован: 19 мар 2018, 13:13
Откуда: Подольск (Климовск)
Благодарил (а): 152 раза
Поблагодарили: 211 раз

Re: Изменения, доработки, улучшения... Одним словом ТЮНИНГ

Сообщение Olenevod » 05 фев 2019, 10:55

На днях разглядывал фотки панели приборов и заметил, что под прозрачной сферой основание, которое ложится на панель (там где одометр), черного цвета. Вопрос к знатокам и тем, кто владеет оригиналом, так ли это?
[/quote]

Так и должно быть! Это прокладка и если бы её не было,то через 200 км пути( желательно вне магистрали!) вы бы не увидели шкалы и не знали бы с какой скоростью передвигаетесь!? :o :shock: 8-) :lol: :roll: ;)
Alexander8305 писал(а): 04 фев 2019, 08:46
Вложения
3bc61cfa-4ff3-4234-8a4c-f3f24c3c97ba.png
Дальнобойщик... на ГАЗ-21 И, 1960 г.выпуска. Приобрел для себя в 2000 году.

Alexander8305
Сообщения: 43
Зарегистрирован: 18 фев 2018, 23:38
Откуда: Калуга
Благодарил (а): 17 раз
Поблагодарили: 12 раз

Re: Изменения, доработки, улучшения... Одним словом ТЮНИНГ

Сообщение Alexander8305 » 06 фев 2019, 09:22

Olenevod писал(а): 05 фев 2019, 10:55 На днях разглядывал фотки панели приборов и заметил, что под прозрачной сферой основание, которое ложится на панель (там где одометр), черного цвета. Вопрос к знатокам и тем, кто владеет оригиналом, так ли это?
Так и должно быть! Это прокладка и если бы её не было,то через 200 км пути( желательно вне магистрали!) вы бы не увидели шкалы и не знали бы с какой скоростью передвигаетесь!? :o :shock: 8-) :lol: :roll: ;)
Alexander8305 писал(а): 04 фев 2019, 08:46
Выходит есть смысл покрасить это место панели приборов в черный цвет

Евгений В
Сообщения: 84
Зарегистрирован: 05 янв 2018, 15:16
Откуда: Москва
Благодарил (а): 30 раз
Поблагодарили: 49 раз

Re: Изменения, доработки, улучшения... Одним словом ТЮНИНГ

Сообщение Евгений В » 10 фев 2019, 22:26

А я немного переделал шильдик из первого номера
Вложения
DSCN9729.JPG

Аватара пользователя
Арамис
Сообщения: 534
Зарегистрирован: 25 фев 2018, 11:51
Откуда: Мурманск
Благодарил (а): 579 раз
Поблагодарили: 301 раз

Re: Изменения, доработки, улучшения... Одним словом ТЮНИНГ

Сообщение Арамис » 11 фев 2019, 04:47

Евгений В писал(а): 10 фев 2019, 22:26 А я немного переделал шильдик из первого номера
А подробней... Что и как...

Аватара пользователя
Olenevod
Сообщения: 411
Зарегистрирован: 19 мар 2018, 13:13
Откуда: Подольск (Климовск)
Благодарил (а): 152 раза
Поблагодарили: 211 раз

Re: Изменения, доработки, улучшения... Одним словом ТЮНИНГ

Сообщение Olenevod » 11 фев 2019, 11:46

Евгений В писал(а): 10 фев 2019, 22:26 А я немного переделал шильдик из первого номера
Повторю вопрос Арамиса... А в чём имеено заключается Ваша переделка? Лично я заметил доделку только у себя! ;) ;) ;)
IMG_2113.JPG
Дальнобойщик... на ГАЗ-21 И, 1960 г.выпуска. Приобрел для себя в 2000 году.

Евгений В
Сообщения: 84
Зарегистрирован: 05 янв 2018, 15:16
Откуда: Москва
Благодарил (а): 30 раз
Поблагодарили: 49 раз

Re: Изменения, доработки, улучшения... Одним словом ТЮНИНГ

Сообщение Евгений В » 11 фев 2019, 12:03

Я сделал оленя под стеклом.
Вложения
DSCN9719.JPG
DSCN9724.JPG
DSCN9733.JPG

Аватара пользователя
Olenevod
Сообщения: 411
Зарегистрирован: 19 мар 2018, 13:13
Откуда: Подольск (Климовск)
Благодарил (а): 152 раза
Поблагодарили: 211 раз

Re: Изменения, доработки, улучшения... Одним словом ТЮНИНГ

Сообщение Olenevod » 11 фев 2019, 12:20

Простите, Евгений... А почему изображена рогатая корова да ещё на трёх лапах??? :o :shock: :o
Дальнобойщик... на ГАЗ-21 И, 1960 г.выпуска. Приобрел для себя в 2000 году.

Евгений В
Сообщения: 84
Зарегистрирован: 05 янв 2018, 15:16
Откуда: Москва
Благодарил (а): 30 раз
Поблагодарили: 49 раз

Re: Изменения, доработки, улучшения... Одним словом ТЮНИНГ

Сообщение Евгений В » 11 фев 2019, 12:26

Olenevod писал(а): 11 фев 2019, 12:20 Простите, Евгений... А почему изображена рогатая корова да ещё на трёх лапах??? :o :shock: :o
Эта та же корова, что идет на руле и шильдике. Что делать...

Аватара пользователя
Olenevod
Сообщения: 411
Зарегистрирован: 19 мар 2018, 13:13
Откуда: Подольск (Климовск)
Благодарил (а): 152 раза
Поблагодарили: 211 раз

Re: Изменения, доработки, улучшения... Одним словом ТЮНИНГ

Сообщение Olenevod » 11 фев 2019, 12:41

Евгений В писал(а): 11 фев 2019, 12:26
Olenevod писал(а): 11 фев 2019, 12:20 Простите, Евгений... А почему изображена рогатая корова да ещё на трёх лапах??? :o :shock: :o
Эта та же корова, что идет на руле и шильдике. Что делать...
Присмотритесь внимательно!
IMG_2044.JPG
копыта все на месте!
А вот так у меня в автомобиле:
IMG_20161010_160243.jpg
Дальнобойщик... на ГАЗ-21 И, 1960 г.выпуска. Приобрел для себя в 2000 году.

Андрей Александрович Шнайдер
Сообщения: 81
Зарегистрирован: 13 май 2018, 12:28
Откуда: Тюмень
Благодарил (а): 17 раз
Поблагодарили: 33 раза

Re: Изменения, доработки, улучшения... Одним словом ТЮНИНГ

Сообщение Андрей Александрович Шнайдер » 11 фев 2019, 12:54

Рекламу вспомнил :mrgreen: в которой "Митя ты олень" и "Ну и кто тут Дед Мороз" (с) :lol:

Аватара пользователя
Константин Феофанов
Сообщения: 837
Зарегистрирован: 31 мар 2018, 14:55
Откуда: Москва
Благодарил (а): 602 раза
Поблагодарили: 427 раз

Re: Изменения, доработки, улучшения... Одним словом ТЮНИНГ

Сообщение Константин Феофанов » 11 фев 2019, 14:02

Olenevod писал(а): 11 фев 2019, 12:20 Простите, Евгений... А почему изображена рогатая корова да ещё на трёх лапах??? :o :shock: :o
Виталь, что ты в оленях понимаешь :mrgreen: :mrgreen: :mrgreen: :mrgreen: ?

Изображение

Изображение
Пошли дурака за скотчем, он липкую ленту и принесет.

Аватара пользователя
Olenevod
Сообщения: 411
Зарегистрирован: 19 мар 2018, 13:13
Откуда: Подольск (Климовск)
Благодарил (а): 152 раза
Поблагодарили: 211 раз

Re: Изменения, доработки, улучшения... Одним словом ТЮНИНГ

Сообщение Olenevod » 11 фев 2019, 16:25

Я понимаю, Костик, понимаю...
Вот светящийся Лосик:
IMG_2117.JPG
А вот подарок из солнечной Финляндии:
IMG_2118.JPG
8-) 8-) 8-)
Дальнобойщик... на ГАЗ-21 И, 1960 г.выпуска. Приобрел для себя в 2000 году.

Аватара пользователя
Константин Феофанов
Сообщения: 837
Зарегистрирован: 31 мар 2018, 14:55
Откуда: Москва
Благодарил (а): 602 раза
Поблагодарили: 427 раз

Re: Изменения, доработки, улучшения... Одним словом ТЮНИНГ

Сообщение Константин Феофанов » 11 фев 2019, 16:47

Olenevod писал(а): 11 фев 2019, 16:25 Я понимаю, Костик, понимаю...

А вот подарок из солнечной Финляндии:
Не знаю, как там в Финляндии, а в Швеции любят дарить таких оленей, даже детям:

Изображение

Изображение

Изображение

Сорри за оффтоп :mrgreen: :mrgreen: :mrgreen:
Пошли дурака за скотчем, он липкую ленту и принесет.

Михаил Васильевич Харченко
Сообщения: 126
Зарегистрирован: 18 мар 2018, 10:24
Откуда: Грязи
Благодарил (а): 75 раз
Поблагодарили: 44 раза

Re: Изменения, доработки, улучшения... Одним словом ТЮНИНГ

Сообщение Михаил Васильевич Харченко » 11 фев 2019, 19:44

мммм---дааааааааааааа уж...

Александр Сапожников
Сообщения: 24
Зарегистрирован: 02 июн 2018, 16:04
Откуда: Чебоксары
Благодарил (а): 16 раз
Поблагодарили: 3 раза

Re: Изменения, доработки, улучшения... Одним словом ТЮНИНГ

Сообщение Александр Сапожников » 11 фев 2019, 20:03

Константин Феофанов писал(а): 11 фев 2019, 16:47
Olenevod писал(а): 11 фев 2019, 16:25 Я понимаю, Костик, понимаю...

А вот подарок из солнечной Финляндии:
Не знаю, как там в Финляндии, а в Швеции любят дарить таких оленей, даже детям:

Изображение

Изображение

Изображение

Сорри за оффтоп :mrgreen: :mrgreen: :mrgreen:
Какие-то они сексуально озабоченные

Ответить

Вернуться в «М21 ВОЛГА»

Кто сейчас на конференции

Сейчас этот форум просматривают: нет зарегистрированных пользователей и 6 гостей